-stärkster Einzylinder -Heckdrehschieber, Rumpfansaugung und kein überfetten im Zwischengas -Richter Mount kann verwendet werden zur vibrationsarmen Befestigung Preis: 749,- Euro
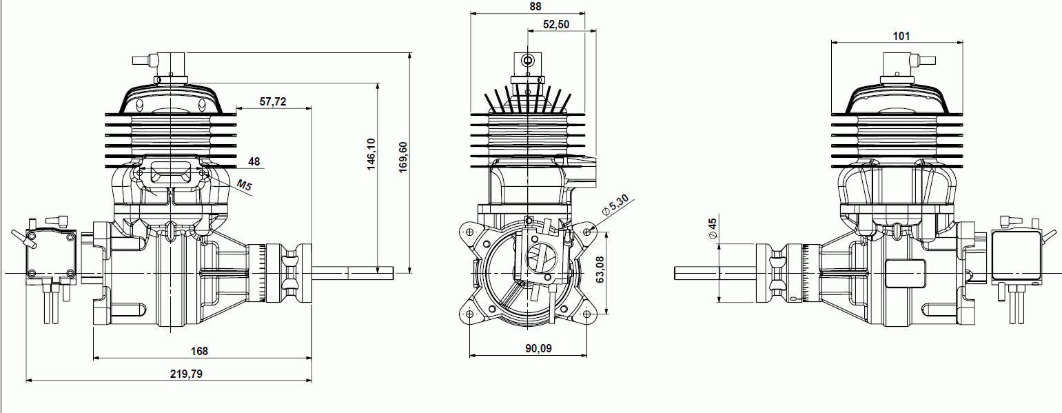
Displacement: 97 ccm Weight: 2190g (3380g with electric starter) Bore: 52 mm Stroke: 46 mm RPM range: 1000-8500RPM Ignition unit: Processor controlled 4,8-7V Fuel mixture(N95+oil): 1:40 Recommended twinblade propellers: 27x12, 28x10, 28x12 Recommended three blade propellers: 25x12, 26x12
by
Chris